Alre Saunasteuerung Hygrotherm VU
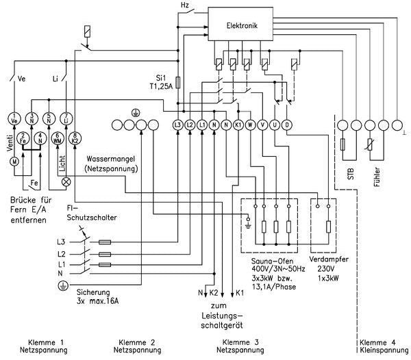
Elektronische Saunasteuerung für Saunabaden "finnisch" (trocken) oder "hygro" (feucht). Temperatur und Feuchte sind stufenlos entsprechend der gewünschten Saunaart "finnisch" oder "hygro" einstellbar. Das Gerät verfügt über Schalter für Licht / Ventilator / Heizung, eine Vorwahluhr (12 Std. maximal), Leuchtanzeigen EIN/AUS / Trocken-/Hygrobetrieb / Ofenheizphasen / Verdampferheizphase, Wassermangel-Erkennung und akustische Wassermangel-Meldung, Fühlerbruch/Fühlerschlußsicherung, Heizzeitbegrenzung (6h/12h/ohne), Anschluss für Fern-EIN/AUS-Schaltung.

- Auf Lager
Elektronische Saunasteuerung für Saunabaden "finnisch" (trocken) oder "hygro" (feucht). Temperatur und Feuchte sind stufenlos entsprechend der gewünschten Saunaart "finnisch" oder "hygro" einstellbar. Das Gerät verfügt über Schalter für Licht / Ventilator / Heizung, eine Vorwahluhr (12 Std. maximal), Leuchtanzeigen EIN/AUS / Trocken-/Hygrobetrieb / Ofenheizphasen / Verdampferheizphase, Wassermangel-Erkennung und akustische Wassermangel-Meldung, Fühlerbruch/Fühlerschlußsicherung, Heizzeitbegrenzung (6h/12h/ohne), Anschluss für Fern-EIN/AUS-Schaltung.
Die automatische Nachlauftrockenheizung (+60...+80°C, max. 3,5h) mit Ventilatorzuschaltung verhindert Schimmelpilzbildung. Im Lieferumfang ist ein Temperaturfühler mit Sicherheitstemperaturbegrenzer (141°C) und 3m Silikonkabel enthalten. Eine Lasterweiterung ist mit den Leistungsschaltgeräten LG x/xx möglich. Licht, Ventilator und die interne Elektronik sind getrennt abgesichert.