Alre UP-Raumtemperaturregler digital HTRRUu210.021#21 kpl. m. Rahmen
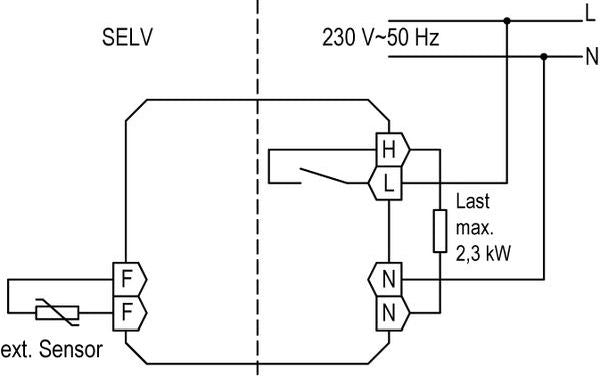
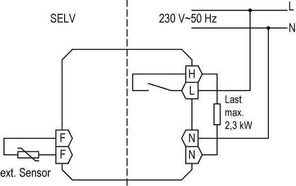
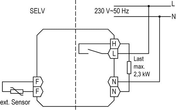
Universeller Unterputz-Temperaturregler zur zeitabhängigen Einzelraum- oder Fußbodentemperaturregelung für Elektro- und Warmwasserheizungen (stromlos geschlossene Stellantriebe). Dabei kann das Gerät als Raumtemperaturregler (wahlweise auch mit optionalem externen Raumfühler), mit optionalem Fernfühler auch als Raumtemperaturregler mit Fußbodenüberwachung oder als Fußbodentemperaturregler eingesetzt werden.

- Auf Lager
Alre UP-Raumtemperaturregler digital HTRRUu210.021#21 kpl. m. Rahmen
Schutzart (IP): |
IP30 (Werkzeugschutz und Schutz vor Fremdkörper > 2,5 mm) |
Tiefe: |
46 mm |
Kontaktausführung: |
Schließer (NO) |
Max. Kontaktbelastung: |
10 A |
Anzahl der Ausgänge Heizung: |
1 |
Anzahl der Ausgänge Kühlung: |
0 |
Uhrentyp: |
Wochenuhr |
Anzahl der Schaltprogramme: |
7 |
Klasse des Temperaturreglers: |
IV |
Breite: |
81 mm |
Farbe: |
weiß (ws, rws, cws) |
RAL-Nummer: |
9010 (reinweiß, rws, alpinweiß, RAL9010) |
Art der Spannungsversorgung: |
230 V |
Bedienung: |
Taste |
Ausführung Aufnehmer/Fühler: |
Widerstandssensor |
Max. Spannung der Kontakte: |
230 V |
Differenzwert: |
1 - 1 K |
Ausführung Uhr: |
digital |
Regelcharakteristik: |
PI |
Höhe: |
85 mm |
Datenblatt
Universeller Unterputz-Temperaturregler zur zeitabhängigen Einzelraum- oder Fußbodentemperaturregelung für Elektro- und Warmwasserheizungen (stromlos geschlossene Stellantriebe). Dabei kann das Gerät als Raumtemperaturregler (wahlweise auch mit optionalem externen Raumfühler), mit optionalem Fernfühler auch als Raumtemperaturregler mit Fußbodenüberwachung oder als Fußbodentemperaturregler eingesetzt werden.
Dieser Uhrenthermostat besitzt eine Wochenuhr mit individuell einstellbaren Programmen (Werkseinstellung auf "normale" Tagesabläufe). Einfachste Handhabung durch intuitive Bedienung, Kostenoptimierung durch zeitgesteuerte Regelung auf die gewünschten Temperaturen. Beleuchtetes, grafikfähiges Display. Komfortable Montage durch freie Verdrahtung der steckbaren Schraubklemmen.