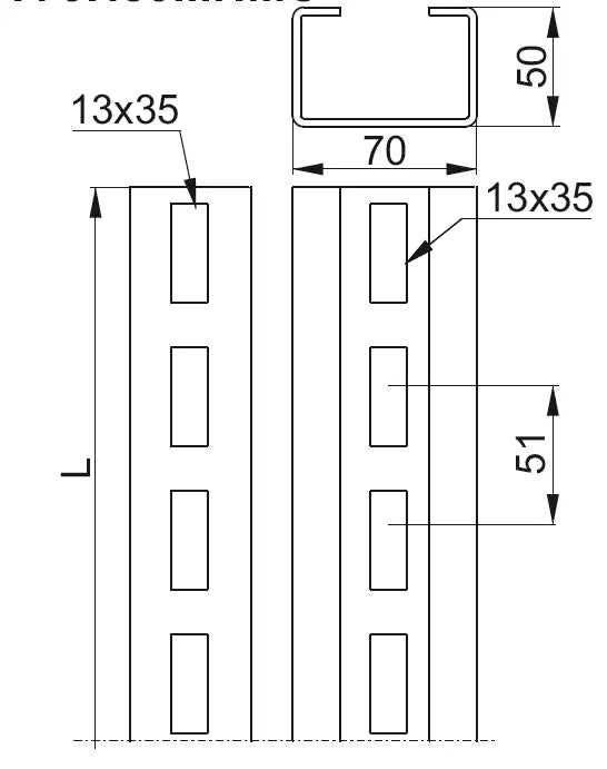
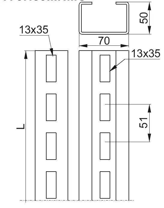
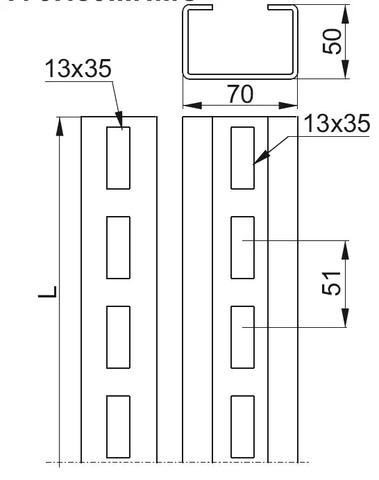
Baks U-Profil verstärkt CWT70H50/4.4NMC
Tragkonstruktion Element - vertikale Stützpfosten für freistehende Konstruktionen.
Teilen via

- Auf Lager
Technische Daten
Baks U-Profil verstärkt CWT70H50/4.4NMC
EAN | 5904905306685 |
Länge [mm] | 4386 |
Dicke [mm] | 3 |
Breite [mm] | 70 |
Gewicht (kg] | 18.76 |
Höhe [mm] | 50 |
Hersteller | Baks |
Weitere Informationen
- Stahl S350GD in Beschichtung: Magnelis,MagiZinc,PosMAC.
- erhöhte Toleranz für die Einstecktiefe der Stützpfosten in den Boden und erleichterter Niveauausgleich der Modulen durch die Erweiterung der Löcher auf 35 mm .
- bessere Blockierung der SGKFM10x20PV Verschlussschrauben (Flachrundschrauben) durch die Änderung der ovalen Löcher gegen rechteckigen.
- vergrößerte und dichte Lochung, angepasst an BDF...H... Profile, um die Konstruktionmontage im Bereich von 20-35 Grad Neigung der Solarmodule gesgenüber dem Boden zu ermöglichen.
- Stahl in Beschichtung: Magnelis, MagiZinc, PosMAC mit sehr hoher Korrosionsbeständigkeit.
- Möglichkeit der Herstellung von U-Profilen mit Perforation nurin Schraubenpositionen.
- Für die Montage sind SGKFM10x20PV Flachrundschrauben notwendig.