JUNG PUMPEN Fäkalienhebeanlage compli 1010/4 BW HL - Art. JP50106
Teilen via

- Auf Lager
Technische Daten
JUNG PUMPEN Fäkalienhebeanlage compli 1010/4 BW HL
Pentair Jung Pumpen
COMPLI 1010/4 BW HL
Steckerfertige Fäkalienhebeanlage
Art.-Nr. JP50106
LGA Bauart geprüft nach DIN EN 12050
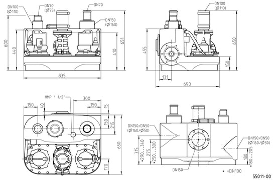
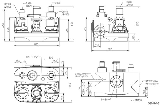
Die überflutbare Doppelanlage besteht
aus einem stufenförmigen Sammelbehälter
(PE) mit optimiertem Boden zur
Minimierung von Ablagerungen, einer
Trägerplatte (Grauguss) mit Ring-
gehäusen, den aufgesetzten Motoren,
Doppelrückschlagklappe und einer
Steuerung. Gewicht: 115 kg
Behälter
Maße (HxBxT): 600 x 835 x 665 mm
Behälterinhalt: 115 l
- Reinigungsöffnung oben
- Muffe DN 150 hinten für den Zulauf
mit Klemmflansch, Höhe 275 mm, mit
exzentrischem Übergangsrohr DN 100/150
Höhe 250-300 mm
- 2 seitliche Muffen DN 150/ DN 50
für den Zulauf, Zulaufhöhen 180 und
315 mm, mit exzentrischem Übergangs-
rohr DN 100/150 Höhe 180-340 mm
- vertikaler Stutzen DN 70 / DN 100 für
Lüftung / Zulauf
- vertikaler Stutzen DN 70 / DN 150 für
Lüftung / Zulauf
- vertikale Muffe 50 mm für die
Notentsorgung
Tauchmotorpumpen
vertikal, einstufig zur Förderung von
Abwasser gemäß DIN 1986-3, betriebs-
fertig auf dem Behälter montiert,
trockenlaufsicher, Überhitzungsschutz
durch Motorthermostat, Leitungsein-
führung längswasserdicht vergossen und
durch Steckverbindung leicht zu tauschen
Laufrad: Freistromrad
Freier Durchgang: 70 mm
Druckabgang: DN 100
Adapterring für Druckleitung DN 80
Mediumtemperatur: 40°C, kurzzeitig 60°C
Fördermenge: max 52 m3/h
Förderhöhe: max 6 m
Motorleistung P2: 1,0 kW
Motordrehzahl: 1450 1/min
Motorschutzart: IP 68
Betriebsart: S3
Mikroprozessor-Steuerung (Highlogo)
zum wasserstandsabhängigen auto-
matischen Ein- und Ausschalten. Die
steckerfertige Steuerung schaltet die
Pumpen wechselseitig mit Spitzen-
lastfunktion. Der Niveaugeber ist im
Behälter eingebaut. Über das große
grafische Display in Verbindung mit
dem Multifunktionsknopf lässt sich die
Steuerung intuitiv und flexibel
konfigurieren.
Betriebsspannung 3/N/PEx230/400V, 50 Hz
1 Gehäuse mit Tür, IP 44,
(HxBxT) 275 x 250 x 155 mm
- je 4m Ltg. zwischen Pumpe u. Steuerung
- 1,5 m Netzanschlussleitung mit
CEE-Stecker
2 Motorschütze 4,0 KW / 400 V
2 Motorschutzschalter
2 Hand-0-Automatik Taster
1 Resettaster für Alarm
Anzeige und Überwachung von z.B.
> Betriebsstunden
> Einschalt-/Einstaufüllstand im Schacht
> Drehfeld
> Motorstrom
> Motor-Laufzeit (0-7200s)
> Anzahl der Schaltspiele
> Ereignisspeicher für 70 Meldungen
Meldeanlage (netzabhängig)
> 2 potentialfreier Wechsler 230V/5A für
Sammelstörmeldung und Hochwasseralarm
> potentialbehafteter Wechsler 230V/2A
zur Ansteuerung einer Warnleuchte
> elektronischer Summer, quittierbar
> variable Alarmverzögerung
> Akku-Ladeschaltung für netzunab-
hängigen Hochwasseralarm durch
optionalen Akku
Die Steuerung ist anschlussfertig,
nullspannungssicher und entspricht
den EU EMC- und Niederspannungs-
richtlinien.
Einheit : Stk
Artikelnr. : JP50106
Pentair Jung Pumpen
COMPLI 1010/4 BW HL
Steckerfertige Fäkalienhebeanlage
Art.-Nr. JP50106
LGA Bauart geprüft nach DIN EN 12050
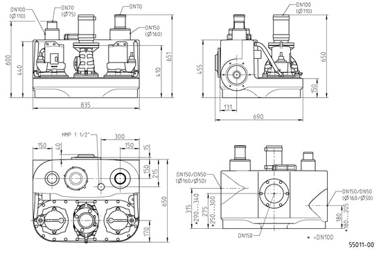
Die überflutbare Doppelanlage besteht
aus einem stufenförmigen Sammelbehälter
(PE) mit optimiertem Boden zur
Minimierung von Ablagerungen, einer
Trägerplatte (Grauguss) mit Ring-
gehäusen, den aufgesetzten Motoren,
Doppelrückschlagklappe und einer
Steuerung. Gewicht: 115 kg
Behälter
Maße (HxBxT): 600 x 835 x 665 mm
Behälterinhalt: 115 l
- Reinigungsöffnung oben
- Muffe DN 150 hinten für den Zulauf
mit Klemmflansch, Höhe 275 mm, mit
exzentrischem Übergangsrohr DN 100/150
Höhe 250-300 mm
- 2 seitliche Muffen DN 150/ DN 50
für den Zulauf, Zulaufhöhen 180 und
315 mm, mit exzentrischem Übergangs-
rohr DN 100/150 Höhe 180-340 mm
- vertikaler Stutzen DN 70 / DN 100 für
Lüftung / Zulauf
- vertikaler Stutzen DN 70 / DN 150 für
Lüftung / Zulauf
- vertikale Muffe 50 mm für die
Notentsorgung
Tauchmotorpumpen
vertikal, einstufig zur Förderung von
Abwasser gemäß DIN 1986-3, betriebs-
fertig auf dem Behälter montiert,
trockenlaufsicher, Überhitzungsschutz
durch Motorthermostat, Leitungsein-
führung längswasserdicht vergossen und
durch Steckverbindung leicht zu tauschen
Laufrad: Freistromrad
Freier Durchgang: 70 mm
Druckabgang: DN 100
Adapterring für Druckleitung DN 80
Mediumtemperatur: 40°C, kurzzeitig 60°C
Fördermenge: max 52 m3/h
Förderhöhe: max 6 m
Motorleistung P2: 1,0 kW
Motordrehzahl: 1450 1/min
Motorschutzart: IP 68
Betriebsart: S3
Mikroprozessor-Steuerung (Highlogo)
zum wasserstandsabhängigen auto-
matischen Ein- und Ausschalten. Die
steckerfertige Steuerung schaltet die
Pumpen wechselseitig mit Spitzen-
lastfunktion. Der Niveaugeber ist im
Behälter eingebaut. Über das große
grafische Display in Verbindung mit
dem Multifunktionsknopf lässt sich die
Steuerung intuitiv und flexibel
konfigurieren.
Betriebsspannung 3/N/PEx230/400V, 50 Hz
1 Gehäuse mit Tür, IP 44,
(HxBxT) 275 x 250 x 155 mm
- je 4m Ltg. zwischen Pumpe u. Steuerung
- 1,5 m Netzanschlussleitung mit
CEE-Stecker
2 Motorschütze 4,0 KW / 400 V
2 Motorschutzschalter
2 Hand-0-Automatik Taster
1 Resettaster für Alarm
Anzeige und Überwachung von z.B.
> Betriebsstunden
> Einschalt-/Einstaufüllstand im Schacht
> Drehfeld
> Motorstrom
> Motor-Laufzeit (0-7200s)
> Anzahl der Schaltspiele
> Ereignisspeicher für 70 Meldungen
Meldeanlage (netzabhängig)
> 2 potentialfreier Wechsler 230V/5A für
Sammelstörmeldung und Hochwasseralarm
> potentialbehafteter Wechsler 230V/2A
zur Ansteuerung einer Warnleuchte
> elektronischer Summer, quittierbar
> variable Alarmverzögerung
> Akku-Ladeschaltung für netzunab-
hängigen Hochwasseralarm durch
optionalen Akku
Die Steuerung ist anschlussfertig,
nullspannungssicher und entspricht
den EU EMC- und Niederspannungs-
richtlinien.
Einheit : Stk
Artikelnr. : JP50106