Maico Axial-Rohrventilator DZR 40/4 B DN400, Drehstrom
Artikel-Nr.: 0086.0030


- Auf Lager
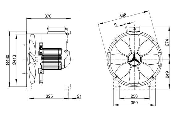
Merkmale Rohrhülse aus verzinktem Stahlblech, beidseitig mit Flansch. 8-blättrige Flügelräder aus glasfaserverstärktem Polyamid. Dynamisch gewuchtet in 2 Ebenen, gemäß Gütestufe 6.3, DIN ISO 1940, Teil 1. Flanschbohrungen gemäß DIN 24154, Blatt 2, 7/66. DZR 56/6 B und DZR 56/4 B: Flanschbohrungen gemäß DIN 24145, Teil 2, 7/90. Zur Vermeidung von Schwingungsübertragungen auf das Rohrsystem: Elastische Verbindungsstutzen, Füße und Schwingungsdämpfer verwenden. Hohe Schutzart IP 55. Ausnahme EZR/DZR... D IP 54. Einbau in jeder Lage möglich. Motor Asynchronmotor, drehzahlsteuerbar. Ausnahme: Typ EZR 45/6 B, DZR 40/2 B. Nicht zur Förderung wasserdampfgesättigter Luft geeignet. Reversierbetrieb: Der Volumenstrom verringert sich um ca. 35% bei anomaler Förderrichtung. Förderrichtung ist auf dem Gerät mit Drehrichtungs- und Förderrichtungspfeil gekennzeichnet. Drehstrommotor Typenreihe DZR. Bemessungsspannung 400 V, 50 Hz. Thermischer Überlastungsschutz serienmäßig. Ausnahme: Bei DZR 25/4 D und polumschaltbaren Axial-Rohrventilatoren auf Anfrage erhältlich. Die Anschlüsse sind potenzialfrei auf Klemmen geführt und müssen an einen Motorvollschutzschalter z.B. MV 25 oder den Steuerstromkreis eines Schützes angeschlossen werden. Polumschaltbare Ventilatoren: Überlastungsschutz mit bauseitig zu beschaffendem Motorvollschutzschalter gewährleisten. Elektrischer Anschluss Außenliegender Klemmenkasten mit Kabeltüllen.