Maico Axialrohrventilator DZR 25/2 B Ex e Drehstrom, explosionsgeschützt, DN250
Artikel-Nr.: 0086.0702

Teilen via

- Auf Lager
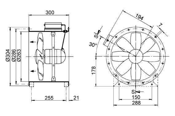
Technische Daten
Merkmale MAICO Ex-Ventilatoren erfüllen die Sicherheitsanforderungen der Europäischen Richtlinie 94/9/EG für Geräte und Schutzsysteme in explosionsgefährdeten Bereichen. Gerätegruppe II, Kategorie 2 G. Zündschutzart e: Erhöhte Sicherheit. Für Zone 1 und 2. Rohrhülse aus verzinktem Stahlblech, beidseitig mit Flansch. Einbau in jeder Lage möglich. Für Be- oder Entlüftung umschaltbar. Reversierbetrieb: Der Volumenstrom verringert sich um ca. 35% bei anomaler Förderrichtung. Motor Robuster Motor mit Kugellager, wartungsfrei. Motorschutzart IP 54. Elektrischer Anschluss Separater Klemmenkasten, Ex-geschützt, mit Kabelverschraubung.